Linia dla produkcji suchej karmy dla psów i kotów wydajności 500 kg/h. Ekstrudowana karma jest oczyszczona od szkodliwych mikroorganizmów.
Opis
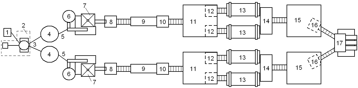
Elementy linii:
1. Kruszarka surowca mięso-kostnego
2. Wyposażenie dla przygotowania mieszanki karmu kombinowanego
3. Przenośniki śrubowe (2 szt.)
4. Bunkry dla gromadzenia mieszanek nr1, nr2 (2 szt.)
5. Przenośniki od bunkrów do wytłaczarki (2 szt.)
6. Generator parowy
7. Wytłaczarka
8. Przenośnik z odbierającym bunkrem
9. Tunel termiczny 4 szt.
10. Przenośnik z odbierającym bunkrem
11. Bunkier dla gromadzenia półfabrykatu
12. Przenośnik do drażownicy 2 szt.
13. Przenośnik tunelowy z możliwością naniesienia aromatów i tłuszczu 2 szt.
14. Przenośnik z poszerzonym odbierającym bunkrem od drażownicy do automatu
15. Automat dla pakowania w worki po 5 - 50 kg
Opis i cechy wytłaczarki:
Charakterystyki techniczne:
|
Parametr
|
Wskaźnik
|
|
Wydajność przy przetwarzaniu soi, do kg/h
|
1500
|
|
Wydajność przy produkcji granulowanego karmu, do kg/h
|
500
|
|
Moc przy przetwarzaniu soi, kW/h
|
97
|
|
Moc przy produkcji granulowanego karmu, kW/h
|
62
|
|
Zużycie pary, kg/h
|
do 100
|
|
Długość, mm
|
2400
|
|
Szerokość, mm
|
2400
|
|
Wysokość, mm
|
2850
|
|
Masa, kg
|
2400
|
|
Gwarancyjny termin eksploatacji szybko zużywanych części, godzin
|
400
|
|
Gwarancyjny termin eksploatacji, miesięcy
|
12
|
Przeznaczenie:
Linia do produkcji ekstrudowanej karmy umożliwia wytwórstwo granulowanej karmy ze zwiększoną przyswajalnością oraz ułatwionym trawieniem, jednocześnie oczyszczonej od substancji szkodliwych i mikroorganizmów dla bydła i zwierząt domowych, psów i kotów, drapieżników, drobiu i ryby, krewetek i skorupiaków.
Przed wytłaczaniem przewidziana możliwość dodawania białkowych i mineralnych dodatków в surowiec.
Ekstruder stosuje się dla otrzymania teksturowanej sojowej proteiny.
Ekstruder pozwala na przetwarzanie ziarna i zboża pszenicy, żyta, kukurydzy, jęczmienia, grochu, fasoli, łubinu, soi, a także do wykorzystania kompleksowych receptur i maki sojowej
Zalety:
wysoki poziom deekstrynizacji skrobi - do 90%.
możliwość otrzymania pływających, tonących i rosnących karmów.
wysoka zdolność granulek dowiązania z wodą
odporność formy granul przy moczeniu
odporność granulek do ścierania
stabilność i odporność granul przy transportowaniu
wykorzystanie małocennych odpadów dla produkcji wzbogaconych karmów
zmniejszenia zużycia karmy
Zasada pracy:
Przygotowana surowa mieszanka trafia do mixeru-prekondicioneru. Kondicionowanie - ważny etap procesu technologicznego celem którego jest - nawilżanie i nagrzanie surowej mieszanki gorącą suchą parą pod cisnieniem 0,2-0,5 MPa i temperaturze 110-130 ° C. Karma się zmiększa i nagrzewa się do 65-75 ° C- staje się bardziej plastyczna, co stwarza najlepsze warunki do ekstruzji – ekspandowania. Zastosowanie pary do kondicionowania - zwiększa wydajności ekstruderu, poprawia formę produktów ziarnistych, zmniejszenia zużycia części zamiennych ekstuderu.
Z mixeru-prekondicioneru surowiec trafia do „lei” w której jest możliwość dodania premiksów, minerałów produktu. Z lej poprzez podajnik od części głównej ekstruderu.
Ekstrudowanie jest procesem obróbki cieplnej, sterylizacji, dehydratacja, teksturowania i granulowania produktu końcowego. W ekstruderzy surowiec poddaje się krótkoterminowej (4-6 sek.) cieplnej obróbce parowej z podalszym zciśnieniem 30 MPa. Ponieważ czas procesu jest mniejszy niż 6 sekund, zawartość białka, jak i dostępność lizyny pozostaje bez zmian. Przy wyjściu z ekspandera surowiec wchodzi do obszaru niskiego ciśnienia w ten moment następuje jakby zwiększenie produktu, rozrywają się wiązania na poziomie komórkowym, modyfikuje się skrobia, zwiększa dostępność węglowodanów działaniu enzymów trawiennych.
Składniki odżywcze stają się bardziej dostępne dla trawienia. Ponadto ekstruzji poprawia smak karmy, inaktywuje inhibitorów, neutralizuje niektóre toksyny.
Krótki, ale intensywny wpływ ciepła, pary i ciśnienia podczas ektruzji pozwala skutecznie zniszczyć salmonellę, inne bakterii chorobotwórcze, grzyby i pleśń. Ekstruder pozwala wykorzystać odpady nieksiej klasy, dodać premiksy, powiększyć strawność i wyprodukować potrzebną kondycję (np. pływającą/tonącą) karmę. W rezultacie zastosowanie ekstrudowanej karmy paszy zwiększa się masa ciała, zmniejsza się period hodowli, zmniejsza się śmiertelność.
Automat dla opakowania w worki 5-50 kg:
1. Zasilanie elektryczne - 380 В, 50 Hz
2. Zużycie elektryczności- 2 kW
3. Czas lutowania szwu (z uwzględnieniem ochłodzenia) - 9-10 s
4. sposób lutowania szwu - ogrzewanie impulsowe
5. Pojemność zbiornika dozownika - 60 l
6. Limity dozujące (zależy od typu produktu, w przybliżeniu) - 5 - 100 kg.
7. Dokładność dozowania - +/- 2 %
8. Wydajność (maksymalna) - do 6 opakowań po 50 kilogram na minutę
9. Gabaryty (WхSzхG) - 4500 mm х 1500 mm х 3500 mm (z uwzględnieniem odprowadzającego transportera)
10. Waga urządzenia- 800 kg
Zalety linii:
• Linia pozwala produkować karm z naturalnych komponentów
• Wielka powierzchnia cząsteczek i porowata struktura, ułatwiając penetrację soku żołądkowego i własnych enzymów w paszach.
• Krupka w odróżnieniu od granulatu nie jest tak twarde i nie uszkodzi przełyku i żołądku zwierząt;
• gruboziarnistość, w związku z tym nie tworzy kurzu i tym samym nie powoduje nalepiania do układu trawiennego i oddechu;
• Odporność granul do ścierania.
• Stabilność i trwałość w transporcie.
• Wyższa higiena pasz dla zwierząt.
• Wykorzystanie odpadów niskiej jakości do gotowania wzbogaconego karmu.
• w uzyskanej substancji odżywczej karmu, minerały i witaminy odpowiadają najlepszym światowym standardom
• Wytłaczane przetwarzanie może poprawić na 30% strawność otrzymanego na linii karmu
Kompletacja linii może być zmieniona zgodnie z życzeniem kupującego.
Gwarancja:
12 miesięcy od daty uruchomienia urządzenia na terenie kupującego, ale nie więcej 18 miesięcy od daty wysłania sprzętu do klienta.
Technologia produkcji karmu: Wchodzi w cenę linii.
Charakterystyki techniczne
Zapotrzebowanie w energii: 108 kW;
Niezbędna powierzchnia: 90 m2;
Personel dla obsługi: 5 osób.
Zalety suchego karmu
1. Suchy karm jest bardziej koncentrowany: 90% suchej substancji!
Suchy karm dla psa ma tylko 10% wilgotności. TO znaczy, że «sucha masa karmu» stanowi około 90%. Kupując suchy karm, ludzie kupują tylko 10% wody i kupują 90% jedzenia.
2. Suchy karm dla zwierząt domowych jest bardziej oszczędny!
Suchy karm dla psów – jest to najbardziej ekonomiczny sposób karmić psa. Jeśli nawet Państwo będzie kupować klasy super premium, to Państwo również będzie tracić istotnie mniej pieniędzy na wyżywienie dzienne Pańskiego psa, niż jeśliby Państwo karmiło jego konserwami czy domowym jedzeniem.
Ludzie powinny znać, że, porównując różne ceny na karm dla domowych zwierząt wg wagi opakowania, oni także mogą uwzględniać zawartość wilgotności. Konserwowany karm ma 80% wilgotności. To znaczy, że kupując 1 kg konserwowanego karmu, kupujesz tylko 200 gram suchej masy karmu. A kupując 1 kg suchego karmu dla psów, Państwo kupuje 900 gram suchej masy karmu. Więc, jeśli porównywać pokarmy wg wagi, to suchy karm stanowi w 4,5 razy więcej suchej masy karmu, niż konserwowany karm!!!
3. Suchy karm łatwy w przechowywaniu.
Sposób przechowywania suchego karmu dla domowych zwierząt oparty jest na jego niskiej zawartości wilgoci. Podczas suszenia po wytłaczania skład wilgoci obniża się, dlatego w pokarmie jest niewystarczająco wody, żeby w nim rozwijały się bakterie czy pojawiła się pleśń. Nawet po otwarciu opakowania karm pozostaje w dobrym stanie, póki na niego nie wpadnie woda.
4. Suchy karm pozwala nie ograniczać zwierzęcie w jedzeniu.
Dzięki niskiej zawartości wilgoci suchy karm nie psuje się i jego można pozostawić w misce na cały dzień. Takie nieograniczone karmienie zwalnia od potrzeby tracić czas na karmienie psów, a także działa uspokajająco na atmosferę jelita psów.
5. Suchy karm obniża ilość płytki nazębnej.
Chrupiące kawałki karmu powodują mechaniczne oczyszczenie zębów, wskutek czego obniża się ilość powstałej płytki. Badania naukowe pokazali, że w psów, który wyżywiają się suchym karmem, ilość płytki nazębnej jest mniejsza, niż w psów, którzy smakują karm konserwowany czy jedzenie domowe. W produkcji Husse struktura granuł była optymalizowana za pomocą analizatora tekstury, i dla zdrowia zębów w nich także byli dodane naturalne wodorosty.
